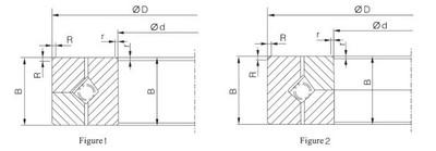
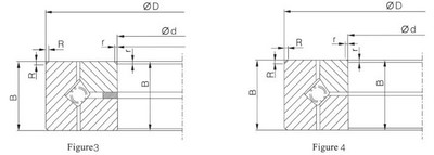
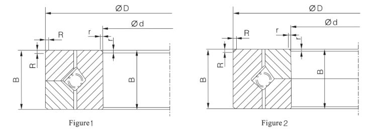
Kegelrollenlager mit gekreuzten Wälzkörpern / Kreuzrollenlager
- Außendurchmesser: 230mm~2819.4mm
- Nennlast: 95kN~18200kN
Die Kegelrollenlager mit gekreuzt angeordneten Wälzkörpern sind Kegelförmig und optimieren dadurch die Rotationsgeschwindigkeit und reduzieren gleichzeitig Reibungen beim Betrieb.
AnwendungsbereicheKegelrollenlager mit gekreuzten Wälzkörpern werden eingesetzt, wenn die Rotationsgeschwindigkeit verbessert und das Rotationszentrum der Masse niedriger werden soll. Sie werden in Maschinenzentren, vertikalen Schleifmaschinen, Fräswalzen, Schalttellermaschinen, vertikalen Werkbänken, Zahnradfräsmaschinen, Revolverdrehbänken, Radioteleskopen, Industirerobotern etc. eingesetzt.
Tags
LYJW ist ein professioneller Hersteller von Drehverbindungen. Wir führen Design und Produktion komplett selbst durch und Sie erhalten bei uns z.B. Drehverbindungen, Präzisionslager, Schwenkantriebe und Rollenlager für Baumaschinen, Maschinenbau, Bergbau, Marine, Chemie, Militär, Windturbinen, Medizinprodukte und viele andere.
Ein erfahrenes Team, fortschrittliche Produktionstechnologien und strenge Qualitätsprüfungen haben LYJW eine führende Position in Forschung und Entwicklung von Drehverbindungen. Wir stellen mittlerweile alle unsere Drehverbindungen nach CCS, ABS, BV, GL und anderen Zertifizierungsstandards her.
Wir stellen Integrität“ an erste Stelle und bieten unseren internationalen Kund*innen herausragende Qualität und besten Service. Unsere Drehverbindungen sind leicht, belastbar und vielseitig. Sie sind mit Durchmessern zwischen 200mm und 15000mm und mit Präzisionen von P0, P6 und P5 erhältlich.










